Informasjon
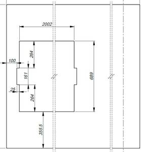
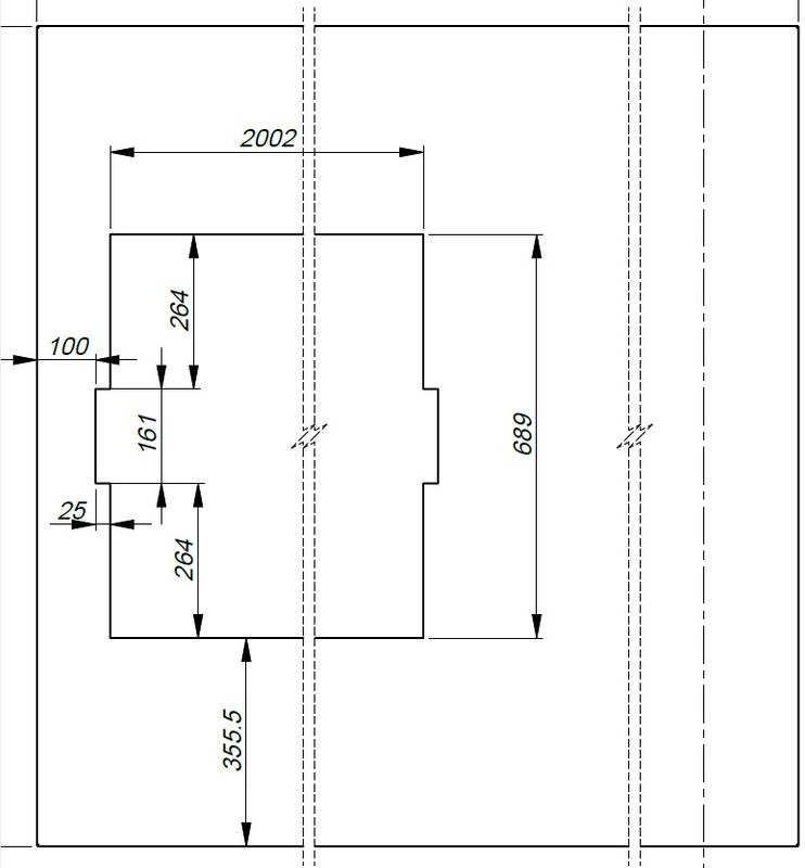
Rustfri bordplate, NY
Tilpasset så det er plass til vannbad dropp-in.
320cm x 140cm x 4cm
- Bordplate med flat bunn
- Uten oppkant
- Silikonbelagt utskjæring, spesiell form.
- 100 mm fra venstre side, i midte
Veil pris: 11.500
Tilpasset så det er plass til vannbad dropp-in.
320cm x 140cm x 4cm
Veil pris: 11.500
Handlekurven din er tom!
Meld deg på nyhetsbrevet vårt og vær oppdatert med alle nyhetene våre først